
Cast Iron Strainer
Features:
Nominal pressure (MPa): 1.6MPa
Strength(water) (MPa): 2.4Mpa
Suitable tempetature (℃): ≤200 ℃
Suitable medium: Vapour,water,oil
We're here to help:
Easy ways to get the answers you need.
Parameter:
.png)
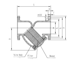
| Outline ;and ;connect ;measurement | ||||||||
| Type | DN(mm) | Measurement(mm) | ||||||
| L | D | D1 | D2 | b-f | z-Φd | H | ||
| GL41H-16 | 32 | 180 | 135 | 100 | 78 | 18﹣2 | 4﹣Φ18 | 90 |
| 40 | 220 | 145 | 110 | 85 | 18﹣3 | 4﹣Φ18 | 125 | |
| 50 | 240 | 160 | 125 | 100 | 20﹣3 | 4﹣Φ18 | 135 | |
| 65 | 251 | 180 | 145 | 120 | 20﹣3 | 4﹣Φ18 | 165 | |
| 80 | 275 | 195 | 160 | 135 | 22﹣3 | 8﹣Φ18 | 172 | |
| 100 | 312 | 215 | 180 | 155 | 24﹣3 | 8﹣Φ18 | 202 | |
| 125 | 340 | 245 | 210 | 185 | 26﹣3 | 8﹣Φ18 | 230 | |
| 150 | 378 | 280 | 240 | 210 | 28﹣3 | 8﹣Φ23 | 260 | |
| 200 | 436 | 335 | 295 | 265 | 30﹣3 | 12﹣Φ23 | 327 | |
| 250 | 492 | 405 | 355 | 320 | 32﹣3 | 12﹣Φ25 | 406 | |
| 300 | 554 | 460 | 410 | 375 | 34﹣4 | 12﹣Φ25 | 450 | |
| 350 | 696 | 520 | 470 | 435 | 34﹣4 | 16﹣Φ25 | 495 | |
| 400 | 790 | 580 | 525 | 485 | 36﹣4 | 16﹣Φ30 | 560 | |
| 450 | 850 | 640 | 585 | 545 | 44﹣4 | 20﹣Φ30 | 641 | |
Standards&Features:
| Function and specification | ||||||||||
| Type | Nominal pressure (MPa) |
Testing pressure | Suitable tempetature (℃) | Suitable medium | ||||||
| Strength(water) (MPa) |
||||||||||
| GL41H-16 GL11H-16 |
1.6 | 2.4 | ≤200 | Vapour,water,oil | ||||||
Case:
| Outline ;and ;connect ;measurement | |||||
| Type | G | L | H | Reference ;Weight(kg) | |
| GL11H-16 | 1/2 | 90 | 66 | 0.6 | |
| 3/4 | 100 | 66 | 0.72 | ||
| 1 | 110 | 77 | 1.05 | ||
| 1 1/4 | 130 | 80 | 1.4 | ||
| 1 1/2 | 150 | 90 | 2 | ||
| 2 | 170 | 95 | 2.6 | ||
Application:
1.Usually installed in the valve, pressure relief valve, water valves and hydraulic control valve or other equipment imported end.
2.Used to remove particulate impurities in medium, from due to impurities in pipelines, rust, welding scraps of the plug and damaged, thus avoiding the maintenance costs and production losses, the normal use of the protection valves and other equipment.
Please fill in your procurement needs and contact information








