
German Standard Y Type Filter
Features:
Nominal Pressure: 1.0 ,1.6 ,2.5 , 4.0
Applicable temperature: ≤90℃
Nominal DN: DN25—DN600mm
Nominal pressure: PN≤1.6Mpa
We're here to help:
Easy ways to get the answers you need.
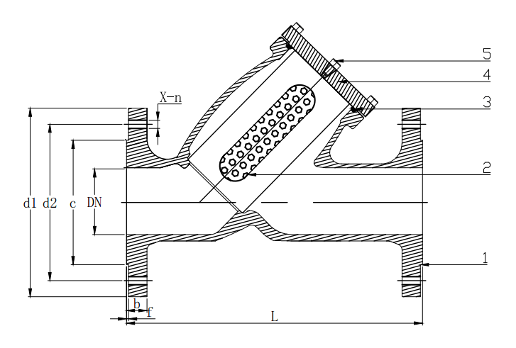
Parameter:

|
Type |
Nominal |
Measurement(mm) |
|
||
|
L |
H |
Do |
D1 |
||
|
GL41T/W/H/F/X-16 |
15 |
130 |
66 |
95 |
65 |
|
20 |
150 |
66 |
105 |
75 |
|
|
25 |
160 |
75 |
115 |
85 |
|
|
32 |
180 |
77 |
140 |
100 |
|
|
40 |
200 |
90 |
150 |
110 |
|
|
50 |
230 |
160 |
165 |
125 |
|
|
65 |
290 |
194 |
185 |
145 |
|
|
80 |
310 |
225 |
200 |
160 |
|
|
100 |
350 |
270 |
220 |
180 |
|
|
125 |
400 |
320 |
250 |
210 |
|
|
150 |
480 |
373 |
285 |
240 |
|
|
200 |
600 |
450 |
340 |
295 |
|
|
250 |
730 |
525 |
405 |
350 |
|
|
300 |
850 |
608 |
460 |
410 |
|
|
350 |
980 |
661 |
520 |
460 |
|
|
400 |
1080 |
750 |
560 |
520 |
|
Standards&Features:
1.Suitable for materials.
2.Chemical, petrochemical production of weak corrosive materials, such as: water, ammonia, oil, hydrocarbons, etc.
3.Corrosive materials, chemical production such as caustic soda, soda ash, sulfuric acid, carbonic acid, acetic acid, acid and ester etc.
4.Low temperature refrigeration materials, such as: liquid methane, ammonia, oxygen and various refrigerants.
5.Light industrial food, pharmaceutical production in the health requirements of the materials, such as: beer, beverages, dairy products, food and beverage supplies, such as medicine.
6.Filtration precision: 10-480 mesh (general water network for 18-30 /cm2, 40-100 /cm2 ventilation network, oil net of 100-480 /cm2.) .
7.Working temperature: less than or equal to 90 DEG C.
8.Nominal diameter: DN600mm - DN25.
9.Nominal pressure: PN = 1.6Mpa (the other working pressure can be designed according to user requirements).
10.Flange standard: GB81-59 (can also be made by user requirements).
11.Shell material: A3304304L, 316316L.
12.Sealing materials: PTFE, nitrile rubber, oil resistant rubber asbestos.
Case:
1.Filter is to remove a small amount of solid particles in liquid equipment, can protect the normal operation of equipment, when the fluid enters the filter cartridge has a certain size, the impurities are blocked, and clean filtrate from the filter outlet, when cleaning, as long as the removable cartridge, after re treatment load can, therefore, maintenance is extremely easy to use.
2.Y type filter or strainer, filter valve, is indispensable to a device pipeline system conveying medium, its role is mechanical impurities in filter media, can sand on the removal of rust, and small amount of solid particles in liquid, filtering to protect equipment and pipeline the parts from wear and clogging, can protect the normal operation of equipment.
3.When the fluid enters the filter cartridge has a certain size, the impurities are blocked, and clean filtrate from the filter outlet, when required To clean, as long as the removal of the cartridge can be removed, the process can be re loaded, therefore, the use of maintenance is very convenient.
Application:
1.Y type filter for medium can be for water, oil and gas.
2.General water network for 18-30, ventilation network is 10-100, net oil 100~480.
3.Basket type filter mainly by taking over, competent, filter blue, flange, flange cover and the fastening parts composition.
4.When the liquid enters into the filter through the director of blue, the solid impurity particles blocked in the blue filter, and the clean fluid through the filter blue, from the filter outlet discharge.
Please fill in your procurement needs and contact information






